HOME  |  SITE MAP  |  INGUIRY  |  KOREAN  
 
HOME > PRODUCT DETAILS > CLEAN-ROOM SYSTEM > BLOWER FILTER UNIT  
+ Energy Saving HVAC System
  - HVAC System Summary
  - HVAC System Selection
  - Standard Specs
+ Clean-Room System
  - Clean-Room System Summary
  - Clean-Room Design Checkpoints
  - Particles and Class
  - Air Handling Unit
  - Condensing Unit
  - Air Control Unit
  - Air Shower
  - Pass Box
  - Clean Booth
  - Clean Bench
  - Clean Locker
  - Fan Filter Unit
  - Blower Filter Unit
  - Hepa Filter Box
  - Relief Damper
+  Contant Temperature and Humidity
    Chamber
  - T/H Room Design Checkpoints
  - Standard Specs
  - System Concept Diagram
+ Cooling Dehumidifier Unit
  - Standard Specs
+ Adsorbent Dehumidifier Unit
  - Summery
  - Standard Specs

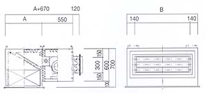
Blower Filter Unit


This unit consisting of filter unit and small blower is available with
a duct connectin type and self circulation type


Dimension
Type A B
BFU-8 365 67
BFU-16 670 670
BFU-32 670 1,280
BFU-64 1,310 1,280

Standard Specification
TYPE / ITEM
BFU-8
BFU-16
BFU-32
BFU-64
Air Vol.(CMM)
8
16
32
64
Filtering Efficiency
0.63 ? D.O.P 99.97% Over
Number of Filter
305x610x150
610x610x150
610x1220x150
610x1220x150x2EA
Punvhing Plate &Casing
Steel or S.T.S304
Motor
300W
400W
750W
1500W
Power Source
AC 3F220/380V 60Hz

COMPANY  |  PRODUCTS  |  EXAMPLES  |  INFOMATION  |  SUPPORT
Business Incubator Center, Korea Polytechnic University, 2121 Jeongwang-dong, Siheung-si, Gyeonggi-do
TEL +82-31-497-3725 FAX +82-31-497-3721
Copyright by T1 ENGINEERING CO., LTD. All rights reserved.